五月婷在线播放I亚洲三级精品I色av色av色avI黄色免费网站大全I久久优I午夜精选视频
聯系我們
技術服務
質量管理
液壓備件
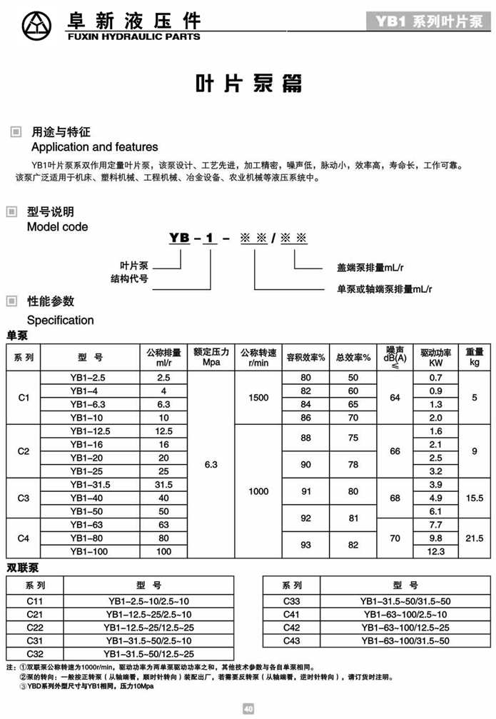
高壓葉片泵
高壓齒輪泵
產品展廳
公司簡介
本站首頁
高壓葉片泵
YB-1葉片泵
上一信息:
YB1雙聯葉片泵
下一信息:
CB-FC齒輪泵
日期:2023-09-05 點擊:5999
統一社會信用代碼: 91210900689699092M
阜新德克液壓機械有限公司
電話:(0418)-6261110 手機:1394180-9282
遼ICP備10018657號-2
技術支持:
阜新賽維科技有限公司